FREE SHIPPING ON ORDERS OVER $350 (SOME EXCLUSIONS APPLY) | 877-4-SPRUCE
Thumbs 1
Thumbs 1

UMA 1-1/4. Electric Oil Pressure Gauge 0 - 100 PSI TSO

$293.95/Each
Quantity
Add to Wishlist
Part# 10-04299
MFR Model# T04113U100P000

Overview

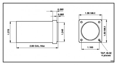
Monitor your engine’s vitals with a full line of space saving 1-1/4” engine instruments with 240 degree analog sweep. These instruments allow you the opportunity to utilize panel space without compromising readability. No longer do you have to decipher cluster gauges or push buttons for readings or try to concentrate on flashing numbers. These premiere UMA instrument are electronic and can be powered from 14 or 28 volts. Signals are acquired from remote mounted sensors, processed and displayed on analog dials with easy to read markings. Each gauge uses rugged aircore meter movement for vibration resistance and repeatability.
   
California Prop 65 Warning Symbol

WARNING: Cancer and Reproductive Harm - www.P65Warnings.ca.gov.

  • Accessories
  • Frequently Purchased With
  • Customers Also Viewed

Reviews

Q&A

Please note, Aircraft Spruce ®'s personnel are not certified aircraft mechanics and can only provide general support and ideas, which should not be relied upon or implemented in lieu of consulting an A&P or other qualified technician. Aircraft Spruce ® assumes no responsibility or liability for any issue or problem which may arise from any repair, modification or other work done from this knowledge base. Any product eligibility information provided here is based on general application guides and we recommend always referring to your specific aircraft parts manual, the parts manufacturer or consulting with a qualified mechanic.

Q: Does the UMA 1-1/4 Electronic Oil pressure Gauge TSO come with a sending unit?

Per UMA, the Electronic Oil Pressure Gauge does not come with a sending unit.

Q: Will this gauge work directly with the latest oil Pressure sender supplied with The Rotax 914UL?

Per UMA: Yes, this gauge will work with the oil pressure sender supplied the the 914UL

Q: The documents link for the installation instructions doesnt work.

Thank you for bringing this to our attention. We have fixed the link.

Q: Which pressure sender is used with the 0 - 60 gauge?

This gauge uses sender part # 10-00528.

  • Did You Mean?
  • Categories