THE AVIATION SUPERSTORE FOR ALL YOUR AIRCRAFT & PILOT NEEDS | 877-4-SPRUCE
Thumbs 1
Thumbs 1
Thumbs 1

ROTAX 860-742 MARKING SLEEVE 2

$0.67/Each
Quantity
Add to Wishlist
Part# 15-01733
MFR Model# 860-742
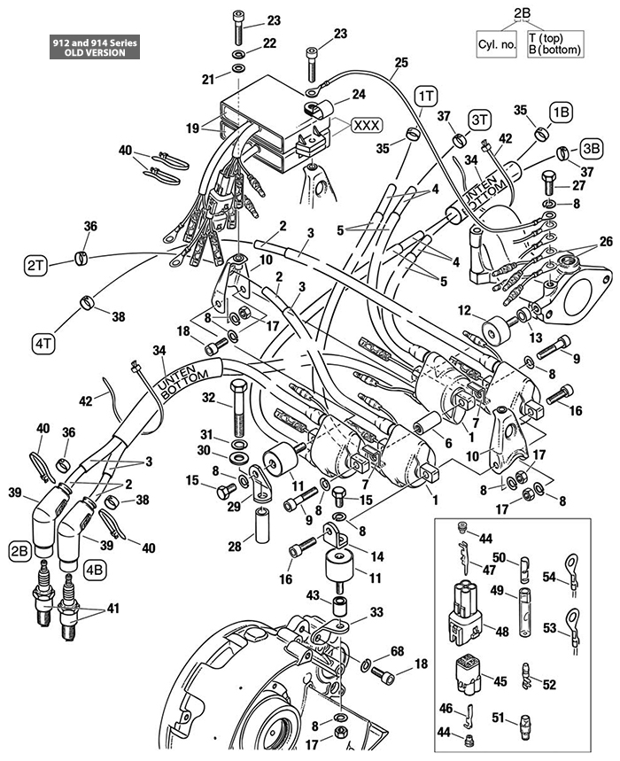
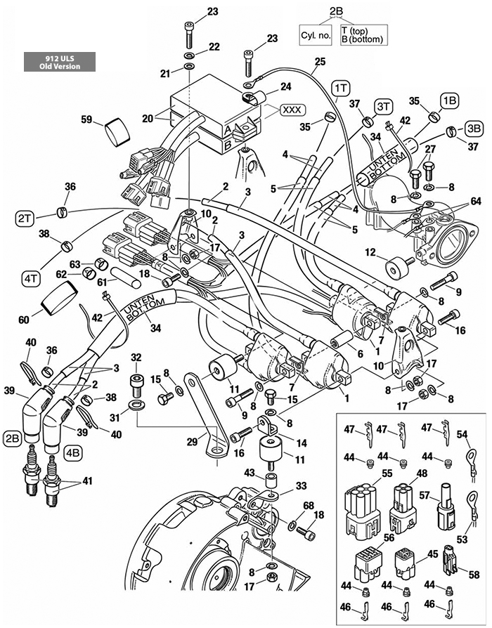
No.Rotax NumberDescriptionQty Req. 912 ULQty Req. 912 ULSQty Req. 914 ULPN
36860-742MARKING SLEEVE 222215-01733

Overview

- Items not illustrated
  • a In a roll, Ignition cable 620 mm;
  • b In a roll, Protection hose 560 mm
  • c In a roll, Protection hose 500 mm
  • d In a roll, Protection hose 450 mm
  • e Not necessary at intake manifold part no. 867688;
  • f Marked with S/N; Introduced as per S/N as follows: 04.0388 with altered insulation only for spare parts
  • g for crankcase part no. 886354, part no. 886358 and older;
  • h At crankcase part no. 888364 or newer crankcase;
  • i Not suitable for intake manifold part no. 867688;
  • j Necessary at version with ring mount;
  • k In a roll
  • l Use part no. 842742 and 953390 only together;
  • m SI-912-013 / SI-914-016 current issue See Maintenance Manual Heavy of the respective engine type,
    current issue.
  • n In a roll, silicone hose 120 mm
  • o SI-912-020 / SI-914-022 current issue
  • p 1x lock washer A6 part no. 945751 is not needed after production-year 2010 on position between the
    bracket 2 part no. 851267 and the hex. nut M6.
  • q Without magneto wheel consisting of 20, 21, 22, 23, 44, 46
  • r Required for the following cylinders: 413235 / 413236 / 413245 / 413246 / 413185 / 413195.
    Danger of abrasion!
  • s Short lines connected with 965-359 and 965-446. Length = 85 mm (instead of 70 mm).


Explanations of symbols and statements in part number charts:
  • N = Newly introduced part number
  • s.v. = Still valid. Part was replaced by compatible component and can not be supplied any longer by the producer. Existing stock may be used.
  • AR = As required. This generally refers to shims, hose, wires, and cable. Measure the amount you need before ordering. Many times there will be multiple listings of different lengths with the same part number. Use individual part descriptions to determine the proper length needed.
  • n.a or NLA = No longer available, no replacement from Rotax. Part is no longer available due to incompatibility to current production or unavailability of part.
  • CALL = Please call for price, 800-247-9653
   
California Prop 65 Warning Symbol

WARNING: Cancer and Reproductive Harm - www.P65Warnings.ca.gov.

Notes

No.
Status
Part No.
Description
912 UL
914 UL
Price
4
865-710
IGNITION CABLE 7 MM
AR c
AR c
5
860-990
PROTECTION HOSE 8x1
AR d
AR d
12
865-710
IGNITION CABLE 7 MM
1i
1i
20
966-729
SMD-ELECTRONIC MODULE
2o
2o
*
41
297-940
SPARK PLUG 12MM/Torque 180 in.lb.8  
*
41
881-330
SPARK PLUG 12MM/Torque 180 in.lb.8  
8
*
59
-
SHRINK TUBE 20 MM  
-
60
-
SHRINK TUBE 20 MM  
1k
-
61
n.a.
-
PROTECTION HOSE 60 MM
2
2
-
64
965-782
MASS CABLE ASSEMBLY
2
2
NLA
68
s.v.
945-751
LOCK WASHER A6
1
1
-
N
964-090 EASY START UNLOCK CABLE ASSY.
1
-

Reference Chart

Reviews

Q&A

Please note, Aircraft Spruce ®'s personnel are not certified aircraft mechanics and can only provide general support and ideas, which should not be relied upon or implemented in lieu of consulting an A&P or other qualified technician. Aircraft Spruce ® assumes no responsibility or liability for any issue or problem which may arise from any repair, modification or other work done from this knowledge base. Any product eligibility information provided here is based on general application guides and we recommend always referring to your specific aircraft parts manual, the parts manufacturer or consulting with a qualified mechanic.

  • Did You Mean?
  • Categories