
(Hover to zoom | Use mouse wheel for +/-)
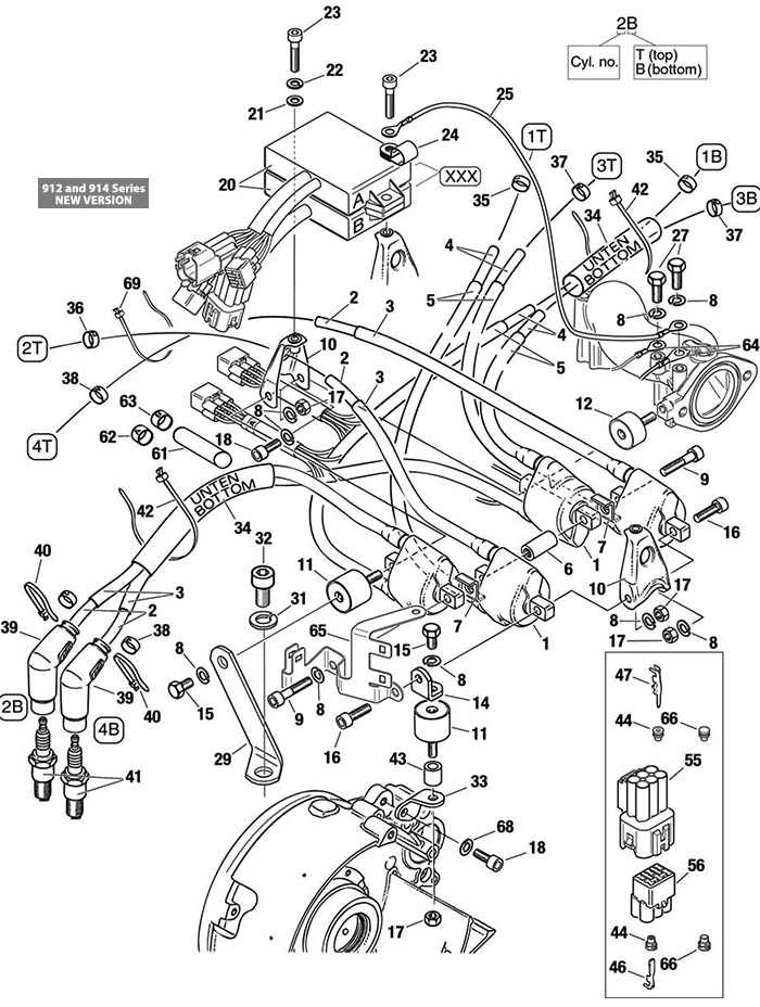
| No. | Status | Rotax Number | Description | Qty 912 UL | Qty 914 UL | Part Number | Price | Buy |
|---|---|---|---|---|---|---|---|---|
| 9 | 840-883 | ALLEN SCREW M6X30 | 2 | 2 | 15-01148 | $0.90 | ||
| 14 | 851-260 | IGNITION COIL BRACKET 1 | 1 | 1 | 15-01528 | $7.37 | ||
| 15 | 240-771 | HEX.SCREW M6X10 | 2 | 2 | 15-00153 | $0.35 | ||
| 18 | 241-236 | ALLEN SCREW M6X16 | 2 | 2 | 15-00169 | $0.42 | ||
| 21 | 827-800 | WASHER A 5.5 | 1 | 1 | 15-00860 | $0.27 | ||
| 24 | 851-118 | CABLE CLAMP 11.3/M5 | 1 | 1 | 15-01514 | $4.30 | ||
| 25 | 965-788 | MASS CABLE ASSY. | 1 | 1 | 15-03906 | $8.75 | ||
| 26 | 965-781 | MASS CABLE ASSY. | 2 | 2 | 15-03902 | $32.75 | ||
| 27 | 241-186 | HEX.SCREW M6X16 | 1 | 1 | 15-00164 | $0.31 | ||
| 32 | 440-191 | ALLEN SCREW M8X16 | 1h | 1h | 15-00545 | $0.71 | ||
| 36 | 860-742 | MARKING SLEEVE 2 | 2 | 2 | 15-01733 | $0.67 | ||
| 40 | 866-710 | CLAMP 142X2.5 MM | 8 | 8 | 15-01869 | $0.79 | ||
| 41 | 897-255 | SPARK PLUG 12 MM / TORQUE: 20 NM / 180 IN.LB. | 08-00504 | $6.50 | ||||
| 42 | 251-920 | CLAMP 279X3.6 MM | 2 | 2 | 15-00268 | $1.25 | ||
| 49 | 964-072 | INSULATION SHEATH | AR | AR | 15-03812 | $1.42 | ||
| 51 | 964-077 | INSULATION SHEATH | AR | AR | 15-03814 | $1.54 | ||
| 55 | 265-269 | CONNECTOR HOUSING 6-POLE | AR | AR | 15-00381 | $11.20 | ||
| 58 | 265-207 | CONNECTOR HOUSING 1-POLE | AR | AR | 15-00372 | $6.59 | ||
| 62 | 960-010 | SHRINKABLE HOSE IMPRINTED A | 1 | 1 | 15-03619 | $5.84 | ||
| 63 | 960-015 | SHRINKABLE HOSE IMPRINTED B | 1 | 1 | 15-03620 | $5.84 | ||
| 64 | 965-784 | MASS CABLE ASSEMBLY | 2m | 2m | 15-03904 | $14.89 | ||
| 66 | 260-135 | DUMMY PLUG | 1m | 1m | 15-00290 | $1.14 |
|
Rotax 912 UL And 914 UL Double Ignition Coil Assembly / Smd - Electronic Module - New version parts. Explanations of symbols and statements in part number charts:
![]() |
WARNING: Cancer and Reproductive Harm - www.P65Warnings.ca.gov. |
No. | Status | Part No. | Description | 912 UL | 914 UL | Price |
4 | 865-710 | IGNITION CABLE 7 MM | AR c | AR c | ||
5 | 860-990 | PROTECTION HOSE 8x1 | AR d | AR d | ||
12 | 865-710 | IGNITION CABLE 7 MM | 1i | 1i | ||
20 | 966-729 | SMD-ELECTRONIC MODULE | 2o | 2o | * | |
41 | 297-940 | SPARK PLUG 12MM/Torque 180 in.lb.8 | * | |||
41 | 881-330 | SPARK PLUG 12MM/Torque 180 in.lb.8 | 8 | * | ||
59 | - | SHRINK TUBE 20 MM | - | |||
60 | - | SHRINK TUBE 20 MM | 1k | - | ||
61 | n.a. | - | PROTECTION HOSE 60 MM | 2 | 2 | - |
64 | 965-782 | MASS CABLE ASSEMBLY | 2 | 2 | NLA | |
68 | s.v. | 945-751 | LOCK WASHER A6 | 1 | 1 | |
- | N | 964-090 | EASY START UNLOCK CABLE ASSY. | 1 | - |
On time and as advertised.
NGK Spark Plug DCPR7E - Removable Nut
NGK Spark Plug DCPR7E - Removable Nut
Great product and service
NGK Spark Plug DCPR7E - Removable Nut
Please note, Aircraft Spruce ®'s personnel are not certified aircraft mechanics and can only provide general support and ideas, which should not be relied upon or implemented in lieu of consulting an A&P or other qualified technician. Aircraft Spruce ® assumes no responsibility or liability for any issue or problem which may arise from any repair, modification or other work done from this knowledge base. Any product eligibility information provided here is based on general application guides and we recommend always referring to your specific aircraft parts manual, the parts manufacturer or consulting with a qualified mechanic.