FREE SHIPPING ON ORDERS OVER $350 (SOME EXCLUSIONS APPLY) | 877-4-SPRUCE

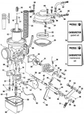
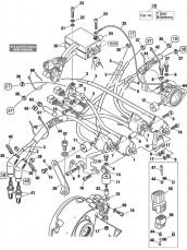
912/914 Series

Recommended Products

  • Did You Mean?
  • Categories