FREE SHIPPING ON ORDERS OVER $350 (SOME EXCLUSIONS APPLY) | 877-4-SPRUCE

ROTAX 552-280 GASKET RING 18,2/24/1

$1.71/Each
Quantity
Add to Wishlist
Part# 15-00572
MFR Model# 552-280
No.Rotax Part NumberDescriptionQty 582 Mod. 99PN
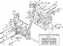
46552-280 GASKET RING 18,2/24/1115-00572

Overview

- Items not illustrated
  • a replace layshaft gear 55 T and pinion shaft 21 T only together.
  • b replace layshaft gear 57 T and pinion shaft 19 T only together.
  • c replace layshaft gear 59 T and pinion shaft 17 T only together.
  • d replace layshaft gear 60 T and pinion shaft 15 T only together.
  • e NOTICE left-hand thread.
  • f coupling flange 958-971 and sealing ring 950-084 has to be used as a set.
  • g coupling flange 958-970 and sealing ring 950-085 has to be used as a set.
  • h gear set and splitted cone sleeve 847-757 has to be used together!
    NOTE: Included starter relay. see also SI-2ST-007


Explanations of symbols and statements in part number charts:
  • N = Newly introduced part number
  • s.v. = Still valid. Part was replaced by compatible component and can not be supplied any longer by the producer. Existing stock may be used.
  • AR = As required. This generally refers to shims, hose, wires, and cable. Measure the amount you need before ordering. Many times there will be multiple listings of different lengths with the same part number. Use individual part descriptions to determine the proper length needed.
  • n.a or NLA = No longer available, no replacement from Rotax. Part is no longer available due to incompatibility to current production or unavailability of part.
  • CALL = Please call for price, 800-247-9653
   
California Prop 65 Warning Symbol

WARNING: Cancer and Reproductive Harm - www.P65Warnings.ca.gov.

Notes

No.
Status
Part No.
Description
447
503
582
m90
582
m99
618
Price
13
950-084
OIL SEAL 32X47X7
1f
1f
1f
1f
$71.56

Reference Chart

Reviews

Q&A

Please note, Aircraft Spruce ®'s personnel are not certified aircraft mechanics and can only provide general support and ideas, which should not be relied upon or implemented in lieu of consulting an A&P or other qualified technician. Aircraft Spruce ® assumes no responsibility or liability for any issue or problem which may arise from any repair, modification or other work done from this knowledge base. Any product eligibility information provided here is based on general application guides and we recommend always referring to your specific aircraft parts manual, the parts manufacturer or consulting with a qualified mechanic.

  • Did You Mean?
  • Categories