
(Hover to zoom | Use mouse wheel for +/-)
- Items not illustrated
Explanations of symbols and statements in part number charts:
![]() |
WARNING: Cancer and Reproductive Harm - www.P65Warnings.ca.gov. |
No. | Status | Part No. | Description | 447 | 503 | 582 m90 | 582 m99 | 618 | Price |
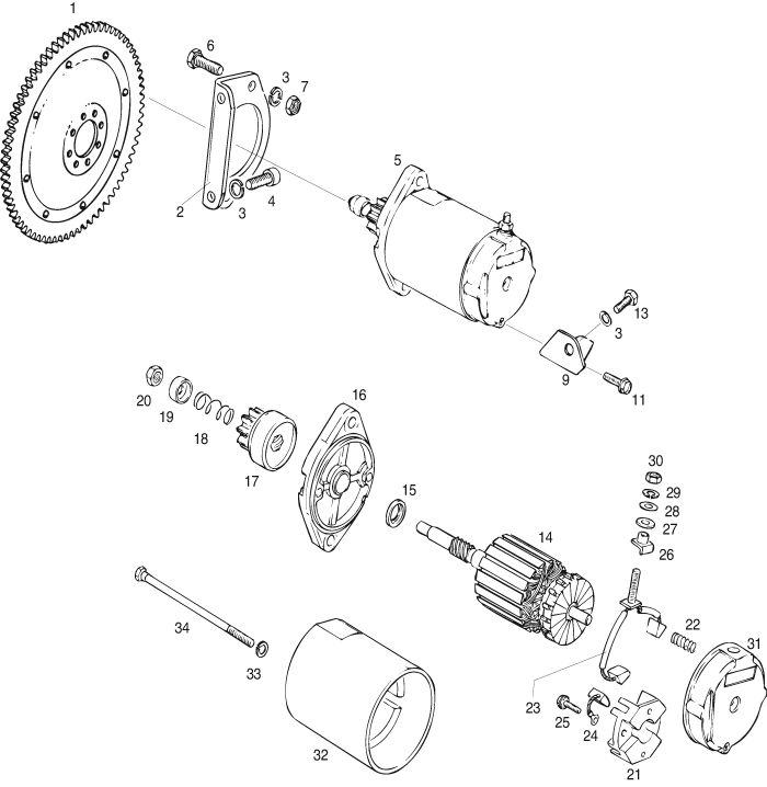
9 | 853-775 | STARTER SUPPORT | 1 | * | |||||
21 | BRUSH HOLDER | 1c | 1c | 1c | NLA | ||||
22 | SPRING | 4c | 4c | 4c | NLA | ||||
23 | BRUSH WITH SCREW ASSY. | 1c | 1c | 1c | NLA | ||||
24 | CARBON BRUSH | 1c | 1c | 1c | NLA | ||||
25 | COMBINED SCREW | 2c | 2c | 2c | NLA | ||||
27 | INSULATING WASHER | 1c | 1c | 1c | NLA | ||||
31 | CAP AND BEARING ASSY. | 1c | 1c | 1c | NLA |
I would of hoped they would of been hardened nuts , but there just plain old metric nut you could buy over the counter ag shop.
ROTAX 242-209 HEX. NUT M8
Please note, Aircraft Spruce ®'s personnel are not certified aircraft mechanics and can only provide general support and ideas, which should not be relied upon or implemented in lieu of consulting an A&P or other qualified technician. Aircraft Spruce ® assumes no responsibility or liability for any issue or problem which may arise from any repair, modification or other work done from this knowledge base. Any product eligibility information provided here is based on general application guides and we recommend always referring to your specific aircraft parts manual, the parts manufacturer or consulting with a qualified mechanic.