
(Hover to zoom | Use mouse wheel for +/-)
| No. | Rotax Part Number | Description | Qty 503 | Qty 582 Mod. 99 | PN | Price | Buy |
|---|---|---|---|---|---|---|---|
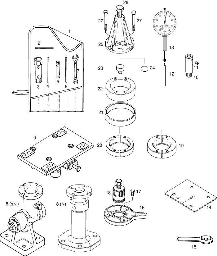
| 5 | 876-227 | SOCKET WRENCH 10X13 MM | 1 | 1 | 15-01956 | $4.83 | |
| 6 | 977-425 | HAND LEVER 6X130 | 1 | 1 | 15-04047 | $1.87 | |
| 7 | 276-065 | FORK WRENCH 10X13 MM | 1 | 1 | 15-00426 | $4.90 | |
| 11 | 841-771 | SET SCREW M6X8 | 1b | 1b | 15-01207 | $1.10 | |
| 17 | 940-591 | HEX.SCREW M8X20 | 3 | 3 | 15-03205 | $0.75 | |
| 18 | 876-065 | PULLER M42X1,5 ASSEMBLY | 1f | 1f | 15-01943 | $227.75 | |
| 21 | 977-490 | RING | 1i | 1i | 15-04051 | $48.89 | |
| 27 | 841-201 | HEX. SCREW M8X70 | 4 | 4 | 15-01163 | $1.71 |
- Items not illustrated
Explanations of symbols and statements in part number charts:
![]() |
WARNING: Cancer and Reproductive Harm - www.P65Warnings.ca.gov. |
No. | Status | Part No. | Description | 447 | 503 | 582 m90 | 582 m99 | 618 | Price |
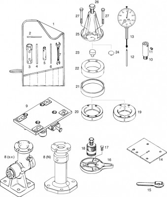
1-7 | 876-932 | REPAIR TOOLS | 1 | 1 | 1 | 1 | 1 | NLA |
Please note, Aircraft Spruce ®'s personnel are not certified aircraft mechanics and can only provide general support and ideas, which should not be relied upon or implemented in lieu of consulting an A&P or other qualified technician. Aircraft Spruce ® assumes no responsibility or liability for any issue or problem which may arise from any repair, modification or other work done from this knowledge base. Any product eligibility information provided here is based on general application guides and we recommend always referring to your specific aircraft parts manual, the parts manufacturer or consulting with a qualified mechanic.