
(Hover to zoom | Use mouse wheel for +/-)
| No. | Rotax Number | Description | Qty Req. 912 UL | Qty Req. 912 ULS | Qty Req. 914 UL | PN | Price | Buy |
|---|---|---|---|---|---|---|---|---|
| 8 | 430-061 | O-RING 26.7X1.8 | 1b | 1b | 1b | 15-08744 | $3.65 | |
| 9 | 850-902 | O-RING 9X2 | 7 | 7 | 7 | 15-01484 | $6.55 | |
| 12 | 640-932 | ALLEN SCREW M8X90 | 1 | 1 | 1 | 15-00665 | $1.90 | |
| 14 | 640-942 | ALLEN SCREW M8x45 | 1f | 1f | 1f | 15-03167 | $3.45 | |
| 19 | 227-280 | THRUST WASHER | 1 | 1 | 1 | 15-00042 | $5.01 | |
| 23 | 927-410 | WASHER 10,5 | 1 | 1 | 1 | 15-02992 | $0.35 | |
| 27 | 840-752 | STUD M8X201 | 14e | 14e | 14e | 15-01139 | $9.59 | |
| 30 | 842-610 | HEX. NUT M8 | 8 | 8 | 8 | 15-01265 | $2.71 | |
| 30 | 942-301 | COLLAR NUT M8 | 8j | 8j | 8j | 15-09345 | $3.99 | |
| 38 | 926-401 | WASHER 8.4/15/1 | AR | 15-02981 | $2.10 |
Explanations of symbols and statements in part number charts:
![]() |
WARNING: Cancer and Reproductive Harm - www.P65Warnings.ca.gov. |
No. | Status | Part No. | Description | 912 UL | 912 ULS | 914 UL |
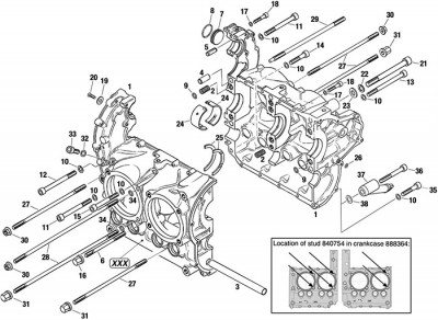
1 | n.a. | xxxxxx | CRANKCASE SET | 1af | 1af | 1af |
2 | 842-655 | HELI-COIL THREAD INSERT M8X20 | 8 | 8 | 8 | |
11 | 440-217 | ALLEN SCREW M8X80/TORQUE 22 FT.LB. | 2 | 2 | 2 | |
14 | 640-942 | ALLEN SCREW M8X45/TORQUE 22 FT.LB. | 1f | 1f | 1f | |
15 | 841-847 | ALLEN SCREW M8X655/TORQUE 22 FT.LB. | 1f | 1f | 1f | |
30 | N | 942-301 | COLLAR NUT M8. | 8k | 8k | 8k |
35 | 640-942 | ALLEN SCREW M8X45/TORQUE 22 FT.LB. | 1 | 1 | ||
37 | xxxxxx | SEE CHAPT. 78-10-00 FIG. 3 | 1 |
Please note, Aircraft Spruce ®'s personnel are not certified aircraft mechanics and can only provide general support and ideas, which should not be relied upon or implemented in lieu of consulting an A&P or other qualified technician. Aircraft Spruce ® assumes no responsibility or liability for any issue or problem which may arise from any repair, modification or other work done from this knowledge base. Any product eligibility information provided here is based on general application guides and we recommend always referring to your specific aircraft parts manual, the parts manufacturer or consulting with a qualified mechanic.