THE AVIATION SUPERSTORE FOR ALL YOUR AIRCRAFT & PILOT NEEDS | 877-4-SPRUCE

Bing O Ring Type 5484 And Cv 32X1 165-704-04

$5.35/Each
Quantity
Add to Wishlist
Part# 15-00929
MFR Model# 165-704-04
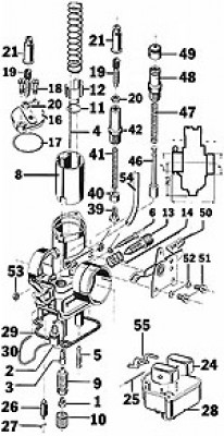
No.Rotax NumberDescriptionQty 914 ULPart Number
7831-713O-RING 3.2X0.82f15-00929

Overview

- Items not illustrated
  • a For cylinder 1/3
  • b For cylinder 2/4
  • c Carburetor housing not available as spare part. use carburetor ASSEMBLY;
  • d Refer to service instruction SI-03-1998 current issue
  • e With clearance for O-Ring (use only together with O-Ring Pos. 18 (part no. 950-430);
  • f For airbox part no. 867-758 / part no. 867-756 See therefore SB-912-044
  • g See therefore SI-912-012 / SI-914-014
  • h Package including two floats
  • i Special jetting according to instructions of the manufacturer
  • j Contain parts requirement for 2 carburetors
  • k Maintenance set for 1 carburetor
  • l with rubber gasket


Explanations of symbols and statements in part number charts:
  • N = Newly introduced part number
  • s.v. = Still valid. Part was replaced by compatible component and can not be supplied any longer by the producer. Existing stock may be used.
  • AR = As required. This generally refers to shims, hose, wires, and cable. Measure the amount you need before ordering. Many times there will be multiple listings of different lengths with the same part number. Use individual part descriptions to determine the proper length needed.
  • n.a or NLA = No longer available, no replacement from Rotax. Part is no longer available due to incompatibility to current production or unavailability of part.
  • CALL = Please call for price, 800-247-9653
   
California Prop 65 Warning Symbol

WARNING: Cancer and Reproductive Harm - www.P65Warnings.ca.gov.

Notes

No.
Status
Part No.
Description
914 UL
Price
1
-
CARBURETOR HOUSING
1c
NLA
28
961-277
CHOKE VALVE ASSEMBLY 2/4
1bf
*
65
851-071 SUPPORT 1/3
1a
*
65
851-073 SUPPORT 2/4
1b
*

Reference Chart

  • Frequently Purchased With
  • Customers Also Viewed

Reviews

Q&A

Please note, Aircraft Spruce ®'s personnel are not certified aircraft mechanics and can only provide general support and ideas, which should not be relied upon or implemented in lieu of consulting an A&P or other qualified technician. Aircraft Spruce ® assumes no responsibility or liability for any issue or problem which may arise from any repair, modification or other work done from this knowledge base. Any product eligibility information provided here is based on general application guides and we recommend always referring to your specific aircraft parts manual, the parts manufacturer or consulting with a qualified mechanic.

View in Catalog

View Image View in Catalog
  • Did You Mean?
  • Categories