
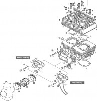
(Hover to zoom | Use mouse wheel for +/-)
| No. | Rotax Part Number | Description | Qty | PN | Price | Buy |
|---|---|---|---|---|---|---|
| 4 | 945-750 | LOCK WASHER A5 | 5 | 07-00435 | $1.79 | |
| 5 | 940-880 | ALLEN SCREW M5X30 | 3 | 15-03232 | $0.57 | |
| 8 | 964-072 | INSULATION SHEATH | 1 | 15-03812 | $1.42 | |
| 13 | 941-925 | TAPTITE SCREW M5X16 | 4 | 15-03287 | $0.79 | |
| 14 | 827-800 | WASHER A 5,5 DIN 6902 | 4 | 15-00860 | $0.27 | |
| 15 | 945-759 | LOCK WASHER 22 | 1 | 15-03367 | $1.10 | |
| 16 | 842-239 | HEX. NUT M22X1,5 | 1 | 15-01245 | $8.40 | |
| 18 | 852-412 | STARTING PULLEY | 1 | 15-01591 | $27.79 | |
| 22 | 860-962 | CABLE GROMMET 24, 5/11 | 1c | 15-01743 | $6.35 |
- Items not illustrated
Explanations of symbols and statements in part number charts:
![]() |
WARNING: Cancer and Reproductive Harm - www.P65Warnings.ca.gov. |
*THIS ITEM CAN USE 11-12316(SOLD PER FOOT)
No. | Status | Part No. | Descriptions | Qty. |
21 | 966-060 | SPIRAL HOSE 70 MM | 1 |
Perfect
ROTAX 852-412 STARTING PULLEY
good
Bing Lock Washer A5 With Screw Only 5M 140-566-04
Please note, Aircraft Spruce ®'s personnel are not certified aircraft mechanics and can only provide general support and ideas, which should not be relied upon or implemented in lieu of consulting an A&P or other qualified technician. Aircraft Spruce ® assumes no responsibility or liability for any issue or problem which may arise from any repair, modification or other work done from this knowledge base. Any product eligibility information provided here is based on general application guides and we recommend always referring to your specific aircraft parts manual, the parts manufacturer or consulting with a qualified mechanic.