THE AVIATION SUPERSTORE FOR ALL YOUR AIRCRAFT & PILOT NEEDS | 877-4-SPRUCE
Thumbs 1
Thumbs 1

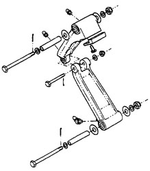
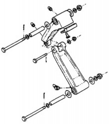
McFarlane Torque Link Kit Cessna Nose Gear - TL-KT-10

$751.00/Each
Quantity
Add to Wishlist
Part# 05-18806
MFR Model# TL-KT-10

Overview

Solves and prevents many wheel shimmy problems
  • Complete McFarlane manufactured FAA-PMA kits include all commonly replaced torque link parts
  • Only McFarlane has shims in three thicknesses for a precision fit
  • Fits most single engine Cessna aircraft
  • Now with specific model eligibility
  • Catalog pages for nose wheel steering parts
Can You Stop Nose Gear Shimmy? by Dave McFarlane
Eligibility Notes:
Note 1: TL-KT-8 and TL-KT-9 torque link kits are used on Cessna model aircraft with heavy duty landing gear that utilizes AN6 size (3/8-24 UNF) bolts in the upper and lower torque link joints. The normal duty landing gear uses AN4 size (1/4-28 UNF) bolts in the upper and lower torque link joints.

Note 2:
Aircraft models in this serial range may use one of two choices for McFarlane Torque Link Kits. The aircraft that have both upper and lower spacers measuring ~2 inches long will use McFarlane Torque Link Kit TL-KT-1 (containing two MC0543047-1 spacers). The aircraft that has an upper spacer measuring ~2.6 inches and a lower spacer measuring ~2 inches will use McFarlane Torque Link Kit TL-KT-2 (containing one MC0543047-1 and one MC0543047-2 spacer).
Note 3: Aircraft models in this serial range may use one of two choices for McFarlane Torque Link Kits. The aircraft that have both upper and lower spacers measuring ~2 inches long will use McFarlane Torque Link Kit TL-KT-5 (containing two MC0543047-1 spacers). The aircraft that has an upper spacer measuring ~2.6 inches and a lower spacer measuring ~2 inches will use McFarlane Torque Link Kit TL-KT-4 (containing one MC0543047-1 and one MC0543047-2 spacer).

Note 4: Aircraft models in this serial range may use one of two choices for McFarlane Torque Link Kits. The aircraft that have both upper and lower spacers measuring ~2 inches long will use McFarlane Torque Link Kit TL-KT-1 (containing two MC0543047-1 spacers). The aircraft that has an upper spacer measuring ~2.6 inches and a lower spacer measuring ~2 inches will use McFarlane Torque Link Kit TL-KT-7 (containing one MC0543047-1 and one MC0543047-2 spacer).

Note 5: Aircraft models in this serial range may use one of two choices for McFarlane Torque Link Kits. The aircraft that have both upper and lower spacers measuring ~2 inches long will use McFarlane Torque Link Kit TL-KT-1 (containing two MC0543047-1 spacers). The aircraft that has an upper spacer measuring ~2.6 inches and a lower spacer measuring ~2 inches will use McFarlane Torque Link Kit TL-KT-11 (containing one MC0543047-1 and one MC0543047-2 spacer).
Can't decide if you have the standard or heavy duty nose wheel?
The bolt sizes on your torque link can help you decide. Use the following table to help you determine the correct torque link kit for your application.
Width Across Hex FlatsBolt Total LengthBolt Dia.TL-KT-1TL-KT-1-HTL-KT-2TL-KT-4TL-KT-5TL-KT-6TL-KT-7TL-KT-8TL-KT-9TL-KT-10TL-KT-11
.490- .5021.82- 1.88.311- .31200000001100
.428- .4401.89- 1.94.246- .24900000000010
.428- .4403.01- 3.07.246- .24900000100000
.428- .4403.13- 3.20.246- .24920011120000
.428- .4404.13- 4.20.246- .24900000000010
.428-.4404.31-4.26.248-24902000000000
.553- .5653.18- 3.24.371- .37400000002200
.428- .4404.12- 4.20.248- .24900000000010
.367- .3761.79- 1.84.188- .18911111110001
.429- .4393.16- 3.24.248- .24900211000002
   
California Prop 65 Warning Symbol

WARNING: Cancer and Reproductive Harm - www.P65Warnings.ca.gov.

Reviews

Q&A

Please note, Aircraft Spruce ®'s personnel are not certified aircraft mechanics and can only provide general support and ideas, which should not be relied upon or implemented in lieu of consulting an A&P or other qualified technician. Aircraft Spruce ® assumes no responsibility or liability for any issue or problem which may arise from any repair, modification or other work done from this knowledge base. Any product eligibility information provided here is based on general application guides and we recommend always referring to your specific aircraft parts manual, the parts manufacturer or consulting with a qualified mechanic.

  • Did You Mean?
  • Categories